TYPE 4501-A
Piezoelectric Cubic Charge Accelerometer, Side Connector, Excl. Cable
Designed for general purpose multi-axis vibration and shock measurements on low-mass structures and in confined spaces.
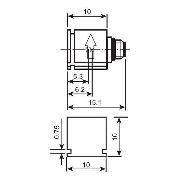
견적 요청하기Types 45 -A and 4501-A are cubic piezoelectric ThetaShear accelerometers. These cubic accelerometers have low sensitivity to extraneous environmental effects, which is achieved through the ThetaShear design. The accelerometers feature a 10 – 32 UNF connector. On Type 4500 A, It is positioned on the top surface, which is perpendicular to its main axis. On Type 4501-A, it is positioned on the side surface, which is parallel to its main axis.
The piezoelectric element used is the PZ 23 lead zirconate titanate element. The housing is aluminium.
USE SCENARIOS
- General purpose multi-axis vibration and shock measurements on low-mass structures and in confined spaces
 - Excellent for applications where a large number of accelerometers are required
 
- Freq. range
 - 1 – 10000 Hz
 - Temperature
 - -55 – 175 ℃
 - Weight
 - 4 gram
 - Sensitivity
 - 0.316 pC/ms^-2
 - Residual Noise Level in Spec Freq Range (rms) ±
 - 0.76 mg
 - Maximum Operational Level (peak)
 - 3000 g
 - Connector
 - 10-32 UNF
 - Mounting
 - Clip Adhesive
 - Accessory Included
 - OptionalAO 0338
 - Clip/Stud/Screw included
 - Mounting Clip
 - Output
 - Charge-PE
 - Unigain
 - No
 - Triaxial
 - No
 - TEDS
 - No
 - Applications
 - General Purpose, Miniature, Modal
 - Unit
 - pC
 - Resonance frequency
 - 30 kHz
 - Maximum Shock Level (± peak)
 - 3000 g
 
뉴스레터를 구독하고 소리와 진동에 대한 최신 이야기를 만나보세요