TYPE 8230-002
DeltaTron Force Transducer, 2.2 mV/N
DeltaTron Force Transducer designed for measuring 2.2 mV/N in dynamic, short-duration static and impact force measurements
Demande de devisType 8230-002 is a force transducer with integral electronics designed for dynamic, short-duration static and impact force measurements. It is typically used for measuring applied forces in modal applications, for example, inserted directly between an exciter and the test structure or for general-purpose force measurements within process applications.
USE SCENARIOS
- Measurements of tensile and compressive forces
- For modal or process applications
- Technology
- CCLD
- Sensitivity
- 2.2 (10) mV/N (mV/lbf)
- Range full scale
- +2000 / -2000 (+500 / 500) N (lbf) N (lbf)
- Maximum compression
- +4400 (+10,000) N (lbf) N (lbf)
- Maximum tension
- -2200 (-500) N (lbf) N (lbf)
- Weight
- 30.2 (1.1 oz) grams
- Operating temperature range
- -55 to 125 C (-67 to 257 F) C
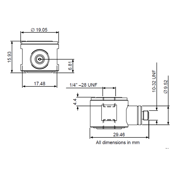
- Overall length
- 15.93 (0.625 inches) mm
- Dimensions
- 19.05 (0.75 inches) mm (inch)
- Case material
- 17-4 PH stainless steel
- Connector electrical
- 10-32 UNF
- Mounting provision
- ¼″ -28 UNF thread on top and bottom
- Accessories included
- Mounting studs, impact cap, carrying box, sensitivity calibration, 1/4"-28 UNF (external) to 10-32 UNF (internal) threaded insert
Abonnez-vous à notre Newsletter et recevez les dernières actualités en acoustique et vibrations